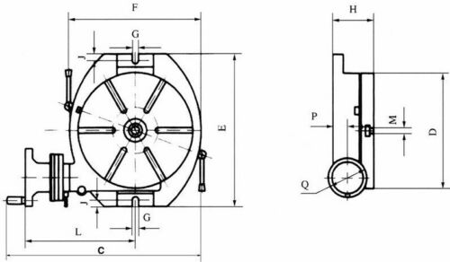
DIVISORE TAVOLA GIREVOLE A ORIZZONTALE 630 MM
DIVISORE TAVOLA GIREVOLE A DIVIDERE ORIZZONTALE 630 MM PER FRESA FRESATRICE Dimensioni e dati tecnici C 898 mm D 630 mm E 820 mm F 700 mm G 22 mm H 160 mm J 20 mm L 468 mm CM 5 P 68 mm Q 220 mm Lettura nonio 10" Rapporto 1:120 Cave 8/18 Nº / mm Portata 700 kg Peso 345 kg
Dettagli
- Tipologia inserzionistaAzienda
- Ragione SocialeITALMACHINES SRL
- Partita IVA03288460128
- Comune inserzionistaVarese (VA)
- MarcaFERVI
- ModelloT012 630
- Anno2022
Posizione del bene
- Italia, Samarate - Varese
Contatta l'inserzionista
AZIENDA
ITALMACHINES SRL








